
生活热水系统设计规范,生活热水机组系统图 ,对于想学习百科知识的朋友们来说,生活热水系统设计规范,生活热水机组系统图是一个非常想了解的问题,下面小编就带领大家看看这个问题。
身处快节奏的生活之中,每一次享受舒适热水的时刻都与我们生活中的质量息息相关。如今,我们正步入一个时代,生活热水系统的设计规范和机组系统图不仅关乎我们的日常需求,更涉及到居住环境的智能化和舒适度的提升。那么,让我们共同探索生活热水系统的奥秘。

一、热水的魔力——生活热水系统设计的重要性
在我们的日常生活中,热水的供应是至关重要的。从沐浴到清洁,从洗涤到烹饪,热水的需求无处不在。而生活热水系统的设计就如同生活中的魔术,它的设计和实施对日常生活的舒适度起着至关重要的作用。为了我们的生活更加便捷舒适,设计者在构建系统时必须确保整个系统的效率、安全性和稳定性。这就意味着系统设计应兼顾多重要素:供水的稳定性、加热的能效性、材料的耐用性、配件的匹配性以及安全性等等。一个精心设计的热水系统如同赋予生活的魔力,它带来的是居住环境的升级和居住质量的提升。
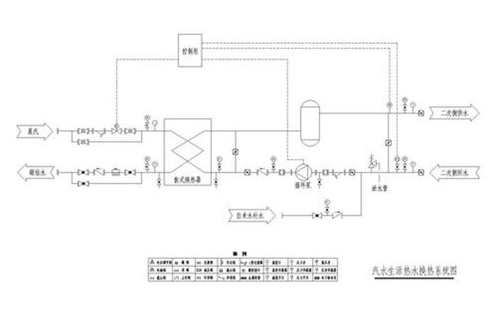
二、生活热水机组系统图的探索之旅

当我们谈论生活热水系统时,我们不能忽视的是机组系统图的重要性。这张图是构建整个系统的蓝图和灵魂所在。设计合理的系统图是热水的质量和安全的保障。这一系统的结构、工艺流程和设备选择都需要细致入微的考虑和精确的设计。生活热水机组系统图包含了热水从产生到供应的全过程,它揭示了整个系统的运行原理和工作机制。这个系统图如同一幅复杂的拼图游戏,每一个部分都需要精确无误地拼接在一起,以确保整个系统的顺畅运行。设计师们需要考虑到各种因素,包括水温的控制、水质的处理、水量的调节等,以确保热水的供应能满足不同场合的需求。系统图的设计不仅要考虑技术的先进性,还要考虑其实用性和安全性。这不仅是对设计师的考验,也是对技术的挑战。在这个过程中,每一步都充满了创新和挑战。这些挑战推动着我们不断前进,探索新的解决方案,创造出更优秀的系统设计和机组系统图。最终目的是为了满足人们的日常需求,提供更为便捷和舒适的生活环境。热水系统的设计和机组系统图的意义不仅仅在于它们的技术性价值,更在于它们对生活质量的影响和提升。我们必须重视并珍视它们的重要性。这不仅仅是设计的挑战和创新的过程,更是为了人类的美好未来和生活品质的提升而不懈努力的过程。

以上是关于生活热水系统设计规范,生活热水机组系统图的介绍,希望对想学习百科知识的朋友们有所帮助。
本文标题:生活热水系统设计规范,生活热水机组系统图;本文链接:http://yszs.weipeng.cchttp://yszs.weipeng.cc/sh/639565.html。