
生活污水设备(生活污水设备运行原理) ,对于想学习百科知识的朋友们来说,生活污水设备(生活污水设备运行原理)是一个非常想了解的问题,下面小编就带领大家看看这个问题。
随着城市化进程的加速,生活污水的处理变得日益重要。生活污水设备是现代城市污水处理系统中不可或缺的一部分,它能够有效处理生活污水,减少对环境的污染。生活污水设备通过一系列物理、化学及生物过程,将生活污水转化为无害或低害物质,达到排放标准。

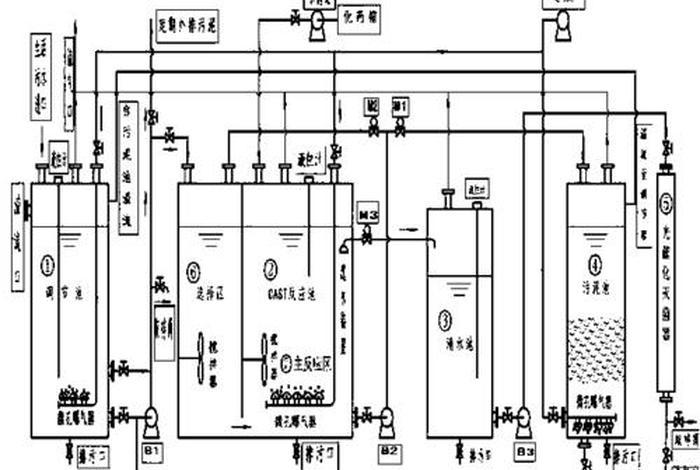
1. 预处理阶段:
此阶段主要是对收集到的生活污水进行初步的物理处理。通过格栅拦截大颗粒杂质,如纸张、塑料等,防止其进入后续处理系统造成堵塞。接着,通过调节池均衡水质水量,为后续处理创造良好条件。
2. 初级处理阶段:

初级处理主要通过沉淀的方法去除污水中的悬浮物和重金属等。沉淀池将密度较大的固体颗粒与水分开,为后续处理提供更清澈的水质。
3. 生物处理阶段:
此阶段是生活污水设备处理的核心部分。主要利用微生物的新陈代谢作用,将有机污染物转化为无害物质。常见的生物处理方法包括活性污泥法和生物膜法。活性污泥法通过曝气池中的微生物与污水充分接触,降解有机物;生物膜法则通过附着在填料上的生物膜对污水进行处理。
4. 深度处理与消毒:
经过生物处理的污水,还需进行深度处理和消毒。深度处理通常采用过滤、吸附等方法进一步去除残留的微小颗粒和有机物。消毒则是为了杀灭可能存在的病原微生物,保障处理后的水质安全。
5. 污泥处理与资源化利用:
在污水处理过程中产生的污泥,需要经过脱水、稳定等处理后,进行资源化利用或安置。部分污泥可以经过厌氧消化产生沼气,实现能源回收;也可用于农田肥料或进行其他安置。
6. 自动化控制与监测:

现代生活污水设备多采用自动化控制系统和在线监测装置,实时监测设备的运行状态和水质变化情况,确保设备稳定、高效地运行。
生活污水设备的运行原理是一个综合性的过程,它不仅涉及到物理、化学的处理方法,还涉及到生物的处理技术。通过这些技术手段,生活污水设备能够有效地处理生活污水,减少对环境的污染,保护生态环境。随着科技的发展,生活污水设备的自动化程度和处理效率也在不断提高,为城市的可持续发展提供了有力保障。
以上是关于生活污水设备(生活污水设备运行原理)的介绍,希望对想学习百科知识的朋友们有所帮助。
本文标题:生活污水设备(生活污水设备运行原理);本文链接:http://yszs.weipeng.cchttp://yszs.weipeng.cc/sh/639475.html。