
生活中的结构力学悬臂刚架(悬臂刚架受力图) ,对于想学习百科知识的朋友们来说,生活中的结构力学悬臂刚架(悬臂刚架受力图)是一个非常想了解的问题,下面小编就带领大家看看这个问题。
当我们走在街头巷尾,或许很难立刻联想到那些悬挂在空中的广告牌、桥梁的支撑结构背后所蕴含的结构力学知识。今天,我们要深入探讨的便是结构力学中的悬臂刚架。那么,何为悬臂刚架呢?悬臂刚架是一种重要的结构形式,常见于桥梁、建筑和广告牌等结构中。接下来,我们将从多个角度详细解读悬臂刚架的魅力,带领大家领略结构力学的奥秘。
二、悬臂刚架的基本概念

悬臂刚架是一种没有水平支撑,仅通过一端或某几个点固定在地面或其他结构上的结构形式。其特点是受力复杂,需要精确计算与分析。在实际应用中,悬臂刚架以其优美的线条和高效的受力方式,广泛应用于各种场景。
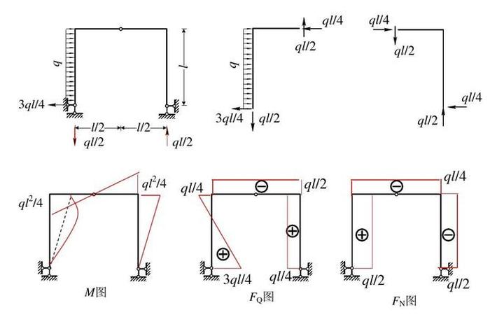
悬臂刚架的受力分析是结构力学中的重点内容。通过受力图,我们可以清晰地看到各种力在悬臂刚架中的传递与分布。例如,在广告牌的悬臂刚架中,主要承受风载和自重,需要通过合理设计确保安全。
三、悬臂刚架的应用实例

桥梁的支撑结构中,悬臂刚架是最常见的结构形式之一。在桥梁建设中,悬臂刚架以其独特的优势,如节省材料、施工方便等,得到广泛应用。其受力复杂的特点也要求设计师具备深厚的结构力学知识。
在现代建筑装饰和广告牌设计中,悬臂刚架也扮演着重要角色。其优美的线条和高效的受力方式,使得设计更具艺术性和实用性。例如,许多大型广告牌和雕塑都采用悬臂刚架结构,既美观又实用。
四、悬臂刚架的设计与优化

悬臂刚架的设计应遵循安全、经济、美观等原则。在设计中,需要考虑各种荷载、材料的性能、施工条件等因素。
随着科技的发展,悬臂刚架的优化设计也取得了长足的进步。通过采用先进的计算机辅助设计和分析软件,可以更加精确地分析结构的受力情况,从而优化设计方案,提高结构的性能。
生活中的结构力学悬臂刚架无处不在,它以其独特的魅力和重要性在我们的生活中发挥着重要作用。通过深入了解悬臂刚架的基本概念、应用实例、设计与优化等方面,我们可以更好地欣赏结构力学的魅力,为我们的生活增添更多色彩。希望本文能带领大家走进结构力学的大门,领略悬臂刚架的奥秘。
以上是关于生活中的结构力学悬臂刚架(悬臂刚架受力图)的介绍,希望对想学习百科知识的朋友们有所帮助。
本文标题:生活中的结构力学悬臂刚架(悬臂刚架受力图);本文链接:http://yszs.weipeng.cchttp://yszs.weipeng.cc/sh/637682.html。